PLC

服务支持

热情、耐心、真诚的服务与支持

金年会200PLC实现单按钮启停

作者:金年会自动化
发布时间:2024.05.14

金年会200PLC实现单按钮启停

与客户交流中,客户述说自己写的单按钮启停程序太繁琐,询问有没有简单点的方式。以前自己做项目也曾遇到过此类问题,随便写了一下也没有深究。秉承程序设计越简单越好的原则,思索了几种方案,以寻求最简洁的方式。同事一旁说道,实际应用中,选择自锁按钮或旋转开关或钥匙开关,程序最简洁最简单。为了发散思维,并为初学者多接触一些指令,我们这里提供几种单按钮实现启停的方法。

1、推荐方式一:SR指令

设置主双稳态触发器(SR)是一种设置主要位的锁存器。如果设置(S1)和复原(R)信号均为真实,则输出(OUT)为真实。

SR指令真值表:

S1

R

OUT

0

0

以前的状态

0

1

0

1

0

1

1

1

1








实现方式:


2、推荐方式二:RS指令

复原主双稳态触发器(RS)是一种复原主要位的锁存器。如果设置(S)和复原(R)信号均为真实,则输出(OUT)为虚假。

RS指令真值表:

S

R1

OUT

0

0

以前的状态

0

1

0

1

0

1

1

1

0








实现方式:



3、异或

如果ab两个值不相同,则异或结果为1。如果ab两个值相同,异或结果为0

实现方式:



4、置位复位指令

实现方式:



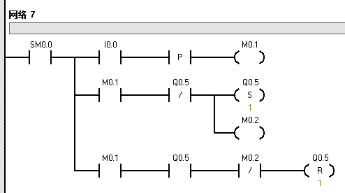
5、计数器指令

实现方式:

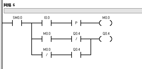
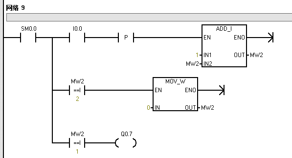
6、整数相加指令,与计数器类似。

实现方式:



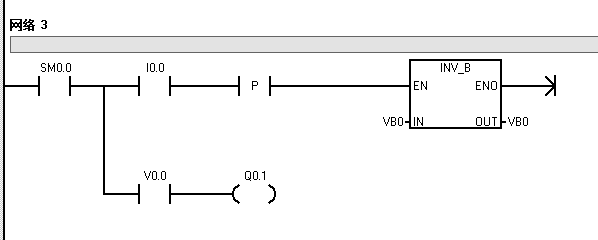
7、取反指令

实现方式:



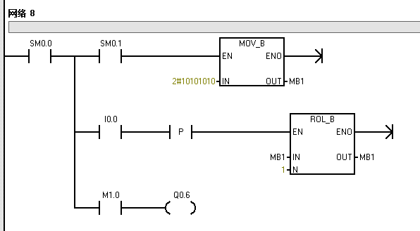
8、循环左移或右移指令

实现方式:



结束语:在设计PLC控制方案时,我们应考虑如何减少所需PLC的输入点数问题。为了减少所需PLC的输入点数,区别不同情况,其实实现方法有多种,其中一种实现方法就是采用单按钮控制启动/停止。利用PLC实现单按钮控制启动/停止有很多种方法,这里抛砖引玉,大家有兴趣的话可以编写适合自己思维方式的一种。

TOP

业务咨询

技术咨询

技术咨询

4000-300-890